Ingenieurbüro Bau + Energie

Baubiologische Beratungsstelle

 

Rolf Canters
Dipl.-Bauingenieur
BAFA-Vor-Ort und
KfW-Effizienzberater

Alte Schule Murrhärle 6
71540 Murrhardt

Telefon/Fax: 07192-93 54-93/-95
E-Mail: ing@bauplusenergie.de

   
     
Leistungen
     
  Über uns  
Vorträge/Seminare
 
Fachwerksanierung
Leistungen      
  Referenzen  
Wir bieten Ihnen eine umfassende Palette von Dienstleistungen rund um die Themen
energetische Sanierung, Feuchteschäden und Einsatz erneuerbarer Energie.

Unser Angebot richtet sich sowohl an private Bauherren und -damen, als auch an die
verantwortlichen Fachleute und Auftraggeber von Kommunen und Gewerbe.

Wir beraten Sie unabhängig und begleiten Sie auf Wunsch in allen Phasen Ihrer
Sanierungsvorhaben von der Analyse über die Planung bis zur Baubetreuung und
Qualitätsicherung.

Nutzen Sie unsere Erfahrung, damit Sie in den Genuß der attraktiven Fördermittel von
Bund, Land und Kommunen kommen.

Dank zahlreicher erfolgreicher Sanierungsprojekte, sind wir inzwischen Spezialisten
für Altbausanierung, auch im Denkmalschutz, und bei der fachgerechten Verwendung
von historischen Baustoffen.

Eine Auswahl der Leistungen, die wir passend zu den Zielen unserer Kunden aus den
verschiedensten Bereichen abstimmen, finden Sie in der obigen Übersicht.
 
Termine u. Veranstaltungen    
  Netzwerk    
Kontakt/Anfahrt
   
Impressum
   
  Datenschutz    
       
       

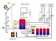
Solares Energiekonzept
 
   
       
       
       
       
       
       
       
       

Individuelle Haustechnikplanung